| Sign In | Join Free | My wneducation.com |
|
Place of Origin : China
Brand Name : Zhongyuan
Certification : CCS, NK, BV, ABS, DNV-GL, LR, KR, IRS, RS, RINA, Makers Test Certificate, Etc.
Model Number : Standard and Customized
MOQ : 1
Price : As per quotation
Packaging Details : Pallet or Customized
Delivery Time : As per offer
Payment Terms : TT, L/C, Etc.
Supply Ability : Satisfy clients needs
Chain Diameter : 12.5mm to 70mm
Length per shot : 25.0~27.5m
Type : Stud Link
Construction : Flash butt welded Roll Steel Bar
Grade : U2; U3
Test : Material property test, heat treatment, Proof load test and Break load test
Surface treatment : Grit blasting, hot dip galvanized, painted black or as required
Classification Certificates : CCS, NK, BV, ABS, DNV-GL, LR, KR, IRS, RS, RINA, Etc
Class Approval U1 U2 U3 Flash Butt Welded Stud Link Marine Anchor Chain
Description
We trade all kinds of marine anchor chains and offshore mooring chains with IACS certificate. We are gold distributor for chain factories. Marine anchor chain has Grade 2 and Grade 3; Offshore mooring chain has RQ3/NVR3, RQ3S/NVR3S, RQ4/NVR4. We can provide 12.5mm to 162mm marine anchor chains and offshore mooring chains. All marine anchor chain can be test by UT & MT detection and proof loading test.
Main Technical Specification
Main Technical Parameters:
| Nominal Size | L | B | Proof Load | Break Load | Proof Load | Break Load | Proof Load | Break Load | Weight (KG/27.5M) |
| MM | MM | MM | KN | KN | KN | KN | KN | KN | KG |
| 12.5 | 75 | 45 | 28.75 | 57.81 | 41.2 | 82.6 | 56.4 | 112.8 | 85.41 |
| 14 | 84 | 50.4 | 34.78 | 69.93 | 51 | 101.9 | 70.76 | 141.51 | 106.55 |
| 16 | 96 | 57.6 | 47.1 | 94.72 | 66.2 | 132.3 | 92.42 | 184.83 | 139.43 |
| 17.5 | 105 | 63 | 56.35 | 113.31 | 78.89 | 157.78 | 110.55 | 221.1 | 178.35 |
| 19 | 114 | 68.4 | 66.42 | 133.57 | 93.6 | 187.2 | 130.32 | 260.64 | 217.68 |
| 20.5 | 123 | 73.8 | 77.33 | 155.49 | 108.64 | 217.27 | 151.7 | 303.42 | 229.14 |
| 22 | 132 | 79.2 | 89.06 | 179.08 | 125.4 | 250.9 | 174.4 | 349.4 | 264.49 |
| 24 | 144 | 86.4 | 105.98 | 213.25 | 149.9 | 298.9 | 207.9 | 415.8 | 341.82 |
| 26 | 156 | 93.6 | 124.38 | 250.12 | 175.4 | 350.8 | 244 | 488 | 369.94 |
| 28 | 168 | 100.8 | 144.26 | 290.08 | 203.8 | 406.7 | 283 | 566 | 427.04 |
| 30 | 180 | 108 | 165.6 | 333 | 234.2 | 467.5 | 324.9 | 649.8 | 490.98 |
| 32 | 192 | 115.2 | 188.42 | 378.88 | 265.6 | 531.2 | 369.6 | 739.3 | 559.65 |
| 34 | 204 | 122.4 | 212.7 | 427.72 | 299.9 | 599.8 | 417.3 | 834.6 | 671.52 |
| 36 | 216 | 129.6 | 238.46 | 479.52 | 336.1 | 672.3 | 467.8 | 935.7 | 707.85 |
| 38 | 228 | 136.8 | 265.7 | 534.28 | 374.4 | 748.7 | 521.3 | 1042.5 | 788.98 |
| 40 | 240 | 144 | 294.4 | 592 | 414.5 | 829.1 | 577.6 | 1155.2 | 869.36 |
| 42 | 252 | 151.2 | 324.58 | 652.68 | 457.7 | 915.3 | 636.8 | 1273.6 | 959.3 |
| 44 | 264 | 158.4 | 356.22 | 716.32 | 502.7 | 999.6 | 698.9 | 1398 | 1111.25 |
| 46 | 276 | 165.6 | 389.34 | 782.92 | 548.8 | 1097.6 | 763.9 | 1527.8 | 1152.07 |
| 48 | 288 | 172.8 | 423.94 | 852.48 | 597.8 | 1195.6 | 831.7 | 1663.5 | 1256.26 |
| 50 | 300 | 180 | 460 | 926.09 | 648.8 | 1239.6 | 902.5 | 1805 | 1360.41 |
| 52 | 312 | 187.2 | 497.54 | 1000.48 | 697.63 | 1395.26 | 976.14 | 1952.28 | 1485.61 |


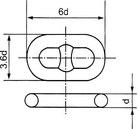
Drawing of Class Approval U1 U2 U3 Flash Butt Welded Stud Link Marine Anchor Chain




|
|
Class Approval U1 U2 U3 Flash Butt Welded Stud Link Marine Anchor Chain Images |